趣味の電子工作など
Web ページにも製作例を掲載しています
[PR]上記の広告は3ヶ月以上新規記事投稿のないブログに表示されています。新しい記事を書く事で広告が消えます。
(お知らせ)
Webページのアドレスが変わりました。
【新】http://eleken.y-lab.org/
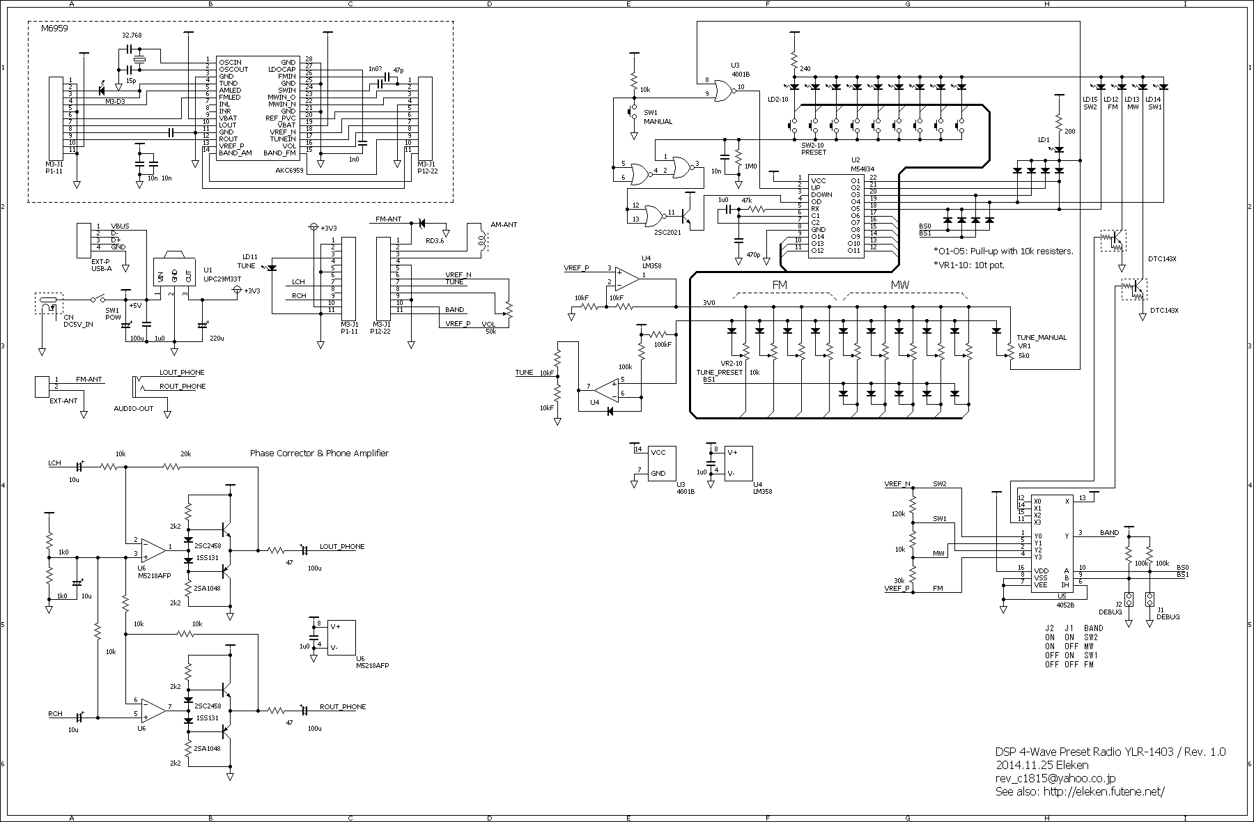
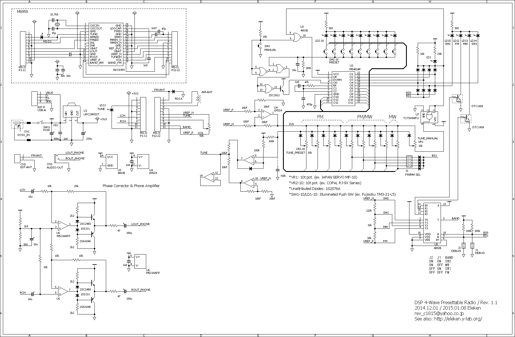
前回のつづき。
前回の回路図を修正した結果が以下です。
気になっていたのは、設定したチューニング周波数の経年変化です。
この回路1ヶ月ほどテストしたところ、経年変化もなく 大丈夫そうなので、
Web に記事を書きました。
正直に言うと、ダイオードアレーによるセレクタよりも、
素直に 4066 によるセレクタを使った方が、よりシンプルにできた気がします。
この DSP ラジオ IC(AKC6959)は音声が逆位相で出力される点が問題です。
結局低電圧駆動のOPAMP で片 ch のみ反転の簡単なアンプを作りましたが、
IC 内蔵のオーディオアンプを使えないのが残念です。
内部的に fix できる方法があったりするのでしょうか?
この基板には、主に表示関係の回路とパドルタイミング生成回路が乗っています。
Pong にはスコアの数字を画面表示する機能があるのですが、これは 7448 (7 セグ LED デコーダ) によって行われています。考えてみれば CPU やメモリを持たない回路なので(当然フォント ROM など無い)こういう構成にするほか無いのですが、少し驚きました。ちなみに 7448 の 6, 9 の書体が気に入らない場合、74(LS)248 に乗せかえれば解決します。
タイミング回路 (H, V の 4-256 分周) 全てがこの 2 枚目基板で必要となるため、ピンヘッダからの配線量が多くなってしまいました(画像、赤・オレンジの配線)。これは失敗です。もう少し基板構成を考えれば良かったかもしれません。