忍者ブログ

Y-Lab. Blog

趣味の電子工作など
Web ページにも製作例を掲載しています

マイコンを使わないワンタッチ選局可能 DSPラジオ(2)

×

[PR]上記の広告は3ヶ月以上新規記事投稿のないブログに表示されています。新しい記事を書く事で広告が消えます。

コメント

ただいまコメントを受けつけておりません。

マイコンを使わないワンタッチ選局可能 DSPラジオ(2)

(お知らせ)
Webページのアドレスが変わりました。
【新】http://eleken.y-lab.org/

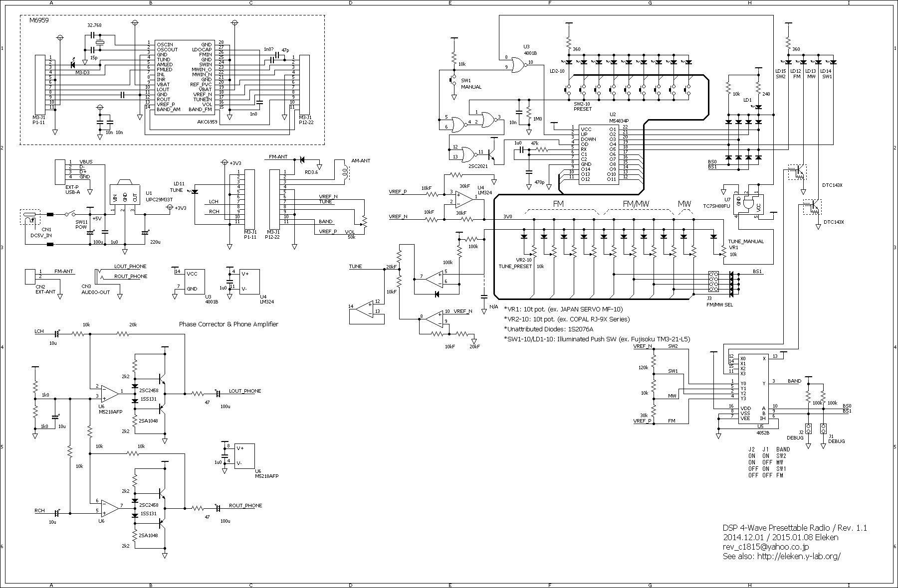
前回のつづき。
前回の回路図を修正した結果が以下です。

気になっていたのは、設定したチューニング周波数の経年変化です。
この回路1ヶ月ほどテストしたところ、経年変化もなく 大丈夫そうなので、
Web に記事を書きました。

正直に言うと、ダイオードアレーによるセレクタよりも、
素直に 4066 によるセレクタを使った方が、よりシンプルにできた気がします。

この DSP ラジオ IC(AKC6959)は音声が逆位相で出力される点が問題です。
結局低電圧駆動のOPAMP で片 ch のみ反転の簡単なアンプを作りましたが、
IC 内蔵のオーディオアンプを使えないのが残念です。
内部的に fix できる方法があったりするのでしょうか?

PR

コメント

プロフィール

HN:
Eleken
HP:
自己紹介:
電子回路とか MIDI とかプログラムとか、何かを作ることが好きです。


電子工作 ブログランキングへ

P R